Когда вы идете в магазин за определенным товаром, то наверняка точно знаете что вам нужно, каким этот товар должен быть и для каких целей вы будете его использовать. То же самое касается устройств защитного отключения и любой другой техники или оборудования. И прежде чем покупать в магазине УЗО, нужно определиться какого типа устройство вам необходимо, для какой нагрузки оно будет использовано. В общем, нужно определиться с параметрами.
Если пренебречь с некоторыми вопросами, то может оказаться, так что одинаковые по номиналу устройства будут работать по разному (а может и вовсе не сработают) при определенных обстоятельствах.
Здравствуйте друзья! Приветствую всех посетителей на своем сайте «Электрик в доме». В сегодняшней статье продолжим тему, связанную с устройствами защитного отключения.
Если Вы помните в прошлой статье мы рассмотрели, чем электромеханическое узо отличается от электронного , а в сегодняшней я бы хотел затронуть вопрос, который относится к их разновидностям. А если быть точнее разновидности защитных устройств по роду утечки тока - . Так как этот вопрос тоже является достаточно важным и не все в нем разбираются.
Типы узо а и ас в чем разница
Все устройства защитного отключения и дифавтоматы по типу делятся на несколько категорий, например по внутренней конструкции (электронные или электромеханические) , выдержке времени, количеству полюсов, по роду утечки дифференциального тока. Именно на последней категории мы и остановимся. Что означает тип УЗО или АВДТ по роду утечки дифференциального тока?
Хоть в сети у нас и переменный ток с частотой в 50 Гц, однако, не всегда ток утечки также может быть переменным. Ток утечки может быть переменным, пульсирующим или постоянным в зависимости от того что и где повредилось.
Чтобы понять, в чем разница между узо типа A и AC давайте определим для себя, на что реагирует каждое из них (на какой род тока):
УЗО типа AC будет реагировать только на переменный ток утечки. Форма кривой такого тока должна быть синусоидальной. В каких ситуациях возникает переменный ток утечки? Повреждение изоляции внутри какого-нибудь бытового прибора (стиральной машинки, холодильника, водонагревателя и т.п.) и попадание фазы на корпус. Ситуаций может быть масса. УЗО AC является самым обычным и распространенным его можно применять везде.
Как мы уже выяснили УЗО AC чувствительно только к току, который имеет синусоидальную форму, поэтому маркируются они соответствующим образом. На корпусе наносится эмблема в виде синусоиды.
УЗО типа A будет реагировать на утечку переменного и постоянного пульсирующего тока. Как вы поняли, такие защитные устройства более чувствительны, нежели AC, но соответственно и стоят они немного дороже. Как может появиться переменный ток утечки, мы выяснили, а вот откуда может взяться постоянный пульсирующий ток утечки.
Вся современная техника выполнена на полупроводниках (диоды, тиристоры, преобразователи и т.п.). Трудно представить микроволновку или стиральную машинку без электронной начинки. Сегодня даже в энергосберегающих и светодиодных лампах внутри имеется импульсный блок питания. А вспомните, как подключается светодиодная лента – через импульсный блок питания.
Я когда то в интернете встречал высказывание на одном из форумов. Один пользователь писал, что УЗО типа A будет полезно только тогда, когда кто-нибудь будет разбирать включенную под напряжением технику и случайно или намеренно засунет руку в блок питания. Мол, какой дурак будет разбирать стиральную машинку или холодильник под напряжением, и касаться пальцами их внутренностей?
Но совсем не необязательно, что то разбирать и касаться мокрыми руками к электронной плате. У всего есть свой срок службы и ваша бытовая техника не исключение, все когда-то ломается и выходит из строя. Внутри блока питания может повредиться вторичная коммутация и пробить на металлический корпус, в результате чего появится утечка тока, которую УЗО АС может и не почувствовать .
Иногда бывает, что в паспорте электрооборудования напрямую указано, что его подключение нужно выполнять только через устройство защитного отключения типа A. Тут как говорится без вариантов, нужно выполнять инструкцию.
Кривая постоянного пульсирующего тока имеет форму в виде полуволн синусоиды. С учетом того что устройства защитного отключения типа А срабатывают на переменный и пульсирующий токи на корпусе они маркируются так:

По требованиям электротехнических норм, европейские страны уже давно отказываются от УЗО с типом АС и отдают предпочтение устройствам типа А. УЗО типа АС могут ставить на оборудование без электроники (водонагреватели, теплый пол и т.п.)
Кстати говоря, в наших правилах ПУЭ тоже сказано несколько слов, но определенных требований на этот счет нет. Можно ставить оба типа. Вот что написано ПУЭ пункт 7.1.78 7-е издание:

Что устанавливать у себя в квартире узо тип а или ас решать, конечно же, вам самим. Я везде стараюсь ставить и всем рекомендую УЗО тип A.
Тестируем узо тип а и ас разница срабатывания
Думаю, в общих чертах всем понятно, какие бывают УЗО по типу срабатывания и в чем разница между устройствами AC и A. Теперь я бы хотел провести небольшое тестирование между этими двумя типами УЗО, чтобы наглядно показать какой тип, на что будет реагировать.
Чтобы спровоцировать работу устройства защитного отключения создадим утечку постоянного пульсирующего тока и посмотрим, как сработают или не сработают наши устройства.
Как создать синусоидальный ток утечки и проверить УЗО в домашних условиях мы уже рассматривали в одной из статей на данном сайте. Источником постоянного пульсирующего тока утечки будет обычный выпрямительный диод, которой установлен практически в каждой электронной технике.
Я купил диод марки 1n5408 и соберу схему с помощью, которой создам пульсирующий ток утечки.

На вход диода мы подаем переменное напряжение (синусоидальной формы), а на выходе уже снимаем постоянное пульсирующие. Форма кривой будет иметь вид в виде полуволн синусоиды не изменяющий свое направление. В зависимости от полярности подключения диода (прямое или обратное) через узо будет протекать пульсирующий ток в разных направлениях.

Собираем схему питание – диод – лампочка. Чтобы убедиться в правильности срабатывания меняем полярность диода.

Первым проверим электромеханическое узо типа А марки hager которое как раз таки должно чувствовать такую утечку. Создаем утечку через него с помощью диода и лампочки. Как видим узо сработало.

Чтобы быть уверенным в надежности срабатывания поменяем полярность диода. Как видим, и в этом случае защитное устройство hager справилась с поставленной задачей.

Вторым в нашем эксперименте будет также узо фирмы hager но уже типа АС, которое в теории не должно вообще чувствовать пульсирующий ток утечки. Но на практике оказалось все совсем наоборот и узо хагер типа АС также почувствовало утечки и отключилось.

Причем данный тип УЗО сработал при разных полярностях диода.

На первый взгляд может показаться, что между узо тип а и ас разница отсутствует, но на самом деле это не так.
Третьим в нашем эксперименте будет электромеханическое узо фирмы IEK . Собираем нашу схему так, чтобы через узо появилась утечка. Как видно из фото защитное устройство IEK не чувствует утечку пульсирующего тока.

То что узо IEK не отключилось не говорит о том, что оно дефектное или плохого качества. Все дело в том, что данное устройство типа АС, о чем свидетельствует маркировка. Теперь я надеюсь вам понятно в разница между узо типа а и ас .

Попробуем поменять полярность подключения диода. Как видно в этом варианте узо сработало.
Устройство Защитного Отключения (УЗО) относится к низковольтному электрическому прибору, который защищает определенный участок электросети при возникновении дифференциального тока, превышающего максимально расчетное значение данного автомата. Кроме того, у этого устройства есть и другое, альтернативное название ВДТ, которое расшифровывается как Выключатель Дифференциального Тока .
Эти устройства имеют несколько разновидностей и могут подключаться отдельно через свой шнур при помощи штепселя или встраиваться в розетку. Но на данный момент широко используется модульное устройство УЗО, закрепляемое в электрощите на din-рейке.
Принцип работы УЗО
Выключатель дифференциального тока применяется как защитный прибор при утечке электротока в электро цепи, от которого может пострадать человек при случайном прикосновении к поврежденному электрооборудованию. Кроме того, этот прибор, при возникновении в электроцепи большого напряжения, защищает электропроводку от перегрева, под воздействием которого может воспламениться изоляция.
Для того чтобы УЗО (ВДТ) работало, к нему должны подключатся одновременно фаза с нолем. При подключении одного проводника устройство, даже при большой утечке тока или коротком замыкании, никогда не будет срабатывать. В схеме УЗО имеется дифференциальный трансформатор. Он постоянно сопоставляет проходящий через него ток и мгновенно реагирует на любое повышение или понижение напряжения возникшее с сети.
Прибор может быть настроен на различную степень отклонения. Например, ВДТ, предназначенное только для защиты электрооборудования, срабатывает при больших отклонениях напряжения, а для защиты человека, чтобы его не поразило током, устройство отключает электросеть даже при малейшем его отклонении от номинального напряжения.
Использование УЗО (ВДТ)
При прокладке электропроводки без использования УЗО, нулевой проводник выходит из электрощита и через отдельные распределительные коробки разводится к розеткам и прочим потребителям. Если же используется УЗО, фаза с нолем должны проходить к потребителю только через него. В ином случае дифференциальный трансформатор не сможет сравнивать отклонения напряжения в сети.
Например, фаза будет проходить к потребителю через одно устройство, а нулевой проводник с другого, дифференциальный выключатель тока будет постоянно отключать данную цепь даже без какой-либо утечки тока.
Это же относится и к заземлению. Если, например, к розетке вместо нулевого проводника будет подведен заземляющий провод, УЗО будет постоянно отключать эту группу.
Существуют различные виды устройств защитного отключения (УЗО) по техническому исполнению. Ниже приведена примерная классификация УЗО.
1. Классификация УЗО по назначению:
УЗО без встроенной защиты от сверхтоков (выключатели дифференциального тока, см. рис. 1, а, б),
УЗО со встроенной защитой от сверхтоков (дифференциальные автоматические выключатели, рис. 2, а),
имеют тепловой и электромагнитный расцепители и защищают от токов перегрузки и короткого замыкания.
2. По способу управления: УЗО, функционально не зависящие от напряжения, УЗО, функционально зависящие от напряжения (рис. 2 , б).
Устройства защитного отключения, функционально зависящие от напряжения, в свою очередь, подразделяются: на устройства, автоматически размыкающие силовые контакты при исчезновении напряжения с выдержкой времени или без нее. При восстановлении напряжения одни модели этих устройств автоматически повторно замыкают контакты своей главной цепи, другие остаются в отключенном состоянии, на устройства, не размыкающие силовые контакты при исчезновении напряжения.
Имеются также два варианта исполнения устройств этой группы. В одном варианте при исчезновении напряжения устройство не размыкает свои контакты, но сохраняет способность разомкнуть силовую цепь при возникновении дифференциального тока. Во втором варианте, при отсутствии напряжения, устройства неспособны произвести отключение при возникновении дифференциального тока.
УЗО, функционально не зависящие от напряжения питания (электромеханические). Источником энергии, необходимой для функционирования - выполнения защитных функций, включая операцию отключения, является для устройства сам сигнал - дифференциальный ток, на который оно реагирует, УЗО, функционально зависящие от напряжения питания (электронные). Их механизм для выполнения операции отключения нуждается в энергии, получаемой либо от контролируемой сети, либо от внешнего источника.
Причиной меньшего распространения электронных УЗО является их неработоспособность при обрыве питающего их нулевого проводника. В этом случае корпус электроприемника, подключенного к сети через УЗО, не размыкающего свои контакты при исчезновении напряжения, окажется под напряжением. Кроме того, несмотря на меньшую стоимость, их применение ограничено из-за меньшей надежности электронных компонентов.

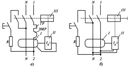
Рис. 1. Электрические схемы устройств защитного отключения: а - двухполюсное УЗО, б - четырехполюсное УЗО, I - дифференциальный трансформатор тока, II - блок сравнения, III- блок отключения, 1- 6 - фазные проводники, N- нулевой проводник, I д> - обозначение блока сравнения дифференциального тока с уставкой

Рис. 2. Электрические схемы УЗО: а - с защитой от сверхтоков (TP - тепловой расцепитель, ЭМР - электромагнитный расцепитель), б - с электронным блоком сравнения (II), получающим питание от сети, I -дифференциальный трансформатор тока, II - блок сравнения, III - блок отключения
3. По способу установки:
УЗО, применяемые для стационарной установки,
УЗО переносного типа, в том числе присоединямые с помощью шнура. Это, например, УЗО-вилка типа А, включаемая в розетку с заземляющим контактом, имеющая кнопку «Тест» с номинальными токами: рабочим - 16 А, дифференциальным - 30 мА.
4. По числу полюсов и токовых путей наиболее распространены:
двухполюсные УЗО с двумя защищенными полюсами,
четырехполюсные УЗО с четырьмя защищенными полюсами.
Ряд производителей выпускают также трехполюсные УЗО с защитой от сверхтоков.
5. По условиям регулирования отключающего дифференциального тока :
УЗО с одним значением номинального отключающего дифференциального тока,
УЗО с несколькими фиксированными значениями отключающего дифференциального тока.
6. По условиям функционирования при наличии составляющей постоянного тока:
УЗО типа АС, реагирующие на синусоидальный переменный дифференциальный ток, медленно нарастающий либо возникающий скачком,
УЗО типа А, реагирующие как на синусоидальный переменный дифференциальный ток, так и на пульсирующий постоянный дифференциальный ток, медленно нарастающие либо возникающие скачком,
У30 типа В, реагирующие как на синусоидальный переменный дифференциальный ток, так и на пульсирующий постоянный дифференциальный ток, медленно нарастающие либо возникающие скачком, а также реагирующие на постоянный ток.
7. По наличию задержки по времени :
УЗО без выдержки времени - тип общего применения,
УЗО с выдержкой времени - тип S (селективный).
В разветвленных системах электроснабжения применяют УЗО с различными значениями номинальных дифференциальных токов и времени отключения. В начале сети устанавливают селективное УЗО (тип S) с дифференциальным током 300 или 500 мА. Выпускаются также селективные УЗО на токи 1000 и 1500 мА.
Для исключения ложных срабатываний при кратковременных повышениях тока утечки, а также для обеспечения более раннего срабатывания УЗО на последующих уровнях электроснабжения селективные УЗО имеют время отключения 130 - 500 мс.
Устройства защитного отключения с дифференциальным током 30 мА выполняют функцию защиты от поражения электрическим током, а селективные УЗО с током 300 мА обеспечивают противопожарную защиту.
В случае повреждения изоляции и протекания дифференциального тока 300 мА и более вначале сработает УЗО нижнего уровня защиты с током 30 мА. Селективное УЗО, имеющее большее время отключения, в этом случае не сработает и электропитание неповрежденных электроприемников сохранится.
8. По способу защиты от внешних воздействий:
УЗО защищенного исполнения, не требующие для своей эксплуатации защитной оболочки,
УЗО незащищенного исполнения, для эксплуатации которых необходима защитная оболочка.
9. По способу монтажа :
УЗО поверхностного монтажа,
УЗО утопленного монтажа,
УЗО панельно-щитового монтажа.
10. По характеристике мгновенного расцепления (для УЗО со встроенной защитой от сверхтоков) :
УЗО типа В,
УЗО типа С,
УЗО типа D.
Виды узо, принцип работы узо и дифференциального автомата, как проверить узо, ошибки при его подключении, с какой периодичностью проводят проверки. +3 Фото с отличиями УЗО типа А и АС
ТЕСТ:
Небольшой тест покажет уровень знаний данной темы и важность выбора оптимального электроаппарата защиты.- Нужны ли отдельные линии для подключения мощных домашних электроприборов?
- С каким током утечки необходимо устанавливать УЗО для детских комнат?
- Есть ли разница, какой тип УЗО приобретать для дома А или АС?
- Что надежнее УЗО+АВ или АД?
а) УЗО+АВ;
Ответы:
- Да. Отдельно проведенные линии позволяют разгрузить вводные автоматы и устроить более надежные внутридомовые электрически сети.
- 10 мА. Сопротивление тела ребенка меньше, чем у взрослого человека. 10 мА — единственно допустимая условно безопасная величина протекающего тока утечки.
- Да. Приборы с характеристикой А защищают не только от переменного, но и постоянного импульсного потенциала.
- УЗО+АВ. Отключение АД не устанавливает причину сбоя: КЗ или ток утечки. В случае с устройством защитного отключения и автоматом иначе, повторное включение АВ перед ним позволяет определить наличие короткого замыкания в системе. Также при выходе из строя дифавтомата, понадобится замена узла на новый. В другом случае, необходима замена АВ либо устройства защитного отключения.
Устройство защитного отключения – электроаппарат, предназначенный для защиты человека от поражения токами утечки. Это ключевой элемент в обеспечении безопасности пользования бытовыми электрическими сетями.
Современные внутридомовые проводки выполняются трехпроводными, а требования действующих Правил Устройства Электроустановок предполагает обязательное наличие дифференциальной защиты. Распределительные электрические щиты оборудуются дифференциальными выключателями (устройствами, чувствительными к токам утечки ) и УЗО. Устройство устанавливаются для розеточной группы и сети освещения, а также для стационарных бытовых электрических приборов.
Неправильное подключение прибора приводит к снижению уровня безопасности электрической сети и его некорректной работе (ложным срабатываниям).
Для правильного подключения электроаппарата необходимо понимать его принцип работы и устройство.
Рис.1 Многоуровневая защита от дифференциальных токовНа схеме изображена подробная схема подключения жилого дома: 1 уровень — противопожарные модели на 300 мА, 2 уровень — вводные, 3 уровень распределительные УЗО для силовых сетей, освещения и подключения отдельных электроприборов.
Отличия УЗО типа А и АС
Устройства защитного отключения разделяются на подвиды в зависимости от принципа действия и технических характеристик.
Род тока утечки. Разделяют устройства на 2 типа:
- Тип АС. Срабатывает только на переменный ток утечки (который возникает в первичных цепях электроприборов).
- Тип А. Реагирует на постоянный и переменный импульсный дифференциальный электроток, т.е. на токи утечки, которые возникают во вторичных цепях электроприборов (платы управления, блоки питания и т.д.).
Аббревиатура указана на корпусе: АС («~») или А.
Качественная маркировка производителя помогает быстро разобраться в схеме и подобрать необходимую модель аппарата зашиты.
Быстродействие . Селективность определяется временем срабатывания защиты:
- Тип G. Электроаппарат отключается после протекания тока утечки 0,06..0,08с.
- Тип S. Выдержка времени — 0,15-0,5 с. оптимальный вариант при организации многоуровневой защиты. Это вводные аппараты защиты, а также противопожарные.
Срабатывают в случае некорректной работы либо повреждения групповой электрозащиты.
Принцип срабатывания. Различают модели двух типов:
- Электромеханические. Отключение аварийного участка не зависит от наличия напряжения в сети.
- Электронные. Работоспособность электронного усилителя обеспечивается при наличии внешнего источника электропитания. Если целостность нулевого проводника нарушена, то такие устройства не могут обеспечить защиту от поражения электрическим током. Поэтому электронные модели менее надежны.
Современные импортные устройства преимум класса оснащены электромагнитным реле, которое отключает нагрузку при исчезновении потенциала.
3 способа отличить электронное УЗО от электромеханического
- Схема, изображенная на корпусе устройства. В моделях электронного типа, есть значок усилителя — «А» в треугольнике. И нагрузка извне подводится к элементу. В электромеханических образцах сети питания идут в обход элементов УЗО, а к дифференциальному трансформатору ничего не подключено.
- Заряженный аккумулятор. К клеммам электроприбора присоединить провода, затем подключить их к полюсам батарейки, при необходимости поменять полярность. Если после манипуляций ничего не происходит, то устройство электронного типа.
- Постоянный магнит. Электромеханический прибор чувствителен к помехам и срабатывает при приближении магнита.
Число полюсов. Двух- или четырехполюсные используются, соответственно, в однофазных и трехфазных сетях.
Принцип работы УЗО. 2 главных узла
Работа электроаппарата основана на принципе постоянного сравнения величины тока на входе и выходе. При равенстве значений сеть считается стабильной и безопасной. Если появляется разница, то чувствительный элемент реагирует на изменение параметров и срабатывает механизм защиты.
Главный узел прибора — дифференциальный трансформатор, который реагирует на изменения параметров в электросети. В нормальном режиме результирующий ток, проходящий через сердечник равен нулю. При появлении тока утечки величина тока в фазном и нулевом проводе различна, что провоцирует отключение соленоида и размыкание контактов электроаппарата.
Дифференциальный автомат совмещает в себе 2 устройства : УЗО и автоматический выключатель, защищая одновременно электрические сети от токов утечки и коротких замыканий.
Рис. 3. Принцип работы УЗО
Как избежать некорректной работы дифзащиты при отсутствии заземления. 2 способа
При строительстве гражданских объектов в советский период не было норм, обязывающих выполнять заземление в каждой квартире. Конечная точка заземления в таких случаях — домовой электрощиток. Пользование современными электроприборами при схеме подключения без заземления — крайне опасно. Использование электрозащиты позволяет снизить риск поражения электротоком.
Без заземления электроаппарат обеспечивает отключение сети при протекании тока утечки через тело человека. При этом быстродействие защиты таково, что ток не успевает поразить организм.
Важно помнить: при наличии заземляющего проводника электроаппарат отключает линию с током утечки моментально. Без заземления отключение происходит только после прикосновения человека к неисправному электроприбору (стиральной машине, водонагревателю и т.д.).
В бытовых сетях УЗО без заземления для защиты от пожаров равноценно корректно работает, как и в случае трехпроводных линий.
Вывод: УЗО — главный элемент защиты во всех схемах (с заземляющим проводником и без него). Обеспечивает пожаробезопасность дома и высокий уровень защиты человека от поражения электротоком.
8 распространенных ошибок при подключении УЗО
Неправильное подключение устройства защитного отключения подвергает опасности жизни, поэтому необходимо знать, как избежать аварийных ситуаций.
- Неполнофазное подключение. При соединении фазы и нулевого провода происходят ложные срабатывания УЗО ввиду распознавания тока, как дифференциального.
- Совмещение рабочего нуля и заземления в розетке провоцирует срабатывания защиты при подключении любой нагрузки.
- Подключение к клеммам прибора всех фаз (в случае 4 полюсного УЗО). Устройство не может быть оценено, как корректно функционирующее.
- Несоблюдение полярности. При перемене мест нулевого и фазного провода, правильная работа УЗО не может быть достигнута. В таком случае без нагрузки кнопка «Тест» оказывается нерабочая, а при включении электроприборов срабатывает дифреле.
- Неправильное соединение нулевых проводов двух и более УЗО. Стандартное тестирование не выявляет проблем. Ложные срабатывания начинаются при подключении нагрузки в сеть.
- Неправильная фазировка (1 УЗО на 2 автомата и т.д.) между несколькими устройствами после реконструкции домашней проводки может привести к циклическому ложному срабатыванию дифзащиты при заведомо исправной электросети и бытовых приборов.
- Присоединение нескольких устройств защиты с объединенным нулевым проводником приводит к фиксированию одного/всеми УЗО ложного дифференциального тока. Между несколькими аппаратами дифзащиты не предусматривается перемычка и соединительные провода.
- Совмещение нулевого проводника с заземлением после подключения к электрозащите вызывает ложные срабатывания.
Не следует приобретать новое устройство, не определив причину его некорректной работы.
Как избежать выхода из строя устройства? 2 правила проверки
Производители оснащают изделия узлом контроля работоспособности «Тест». Программа позволяет проверить соответствие нормам и стандартам основные параметры аппарата электрозащиты: быстродействие и фиксирование дифференциального тока утечки. Оптимальная периодичность проверки — 1 раз в месяц.
Важно: кроме контроля основных функций регулярное тестирование определяет исправность PE-проводника, его целостность и качество соединения с заземлением, селективность электроаппарата при многоуровневой системе электрозащиты в доме.
При нажатии кнопки «Тест» на прибор подается электроток, равный величине отключающему дифференциальному. Длительность протекания тестирования не ограничена по времени. Успешное проведение теста (отключение аппарата электрозащиты) свидетельствует о нескольких факторах:
- Быстродействие достаточно, соответствует заявленным характеристикам ;
- Чувствительность прибора достаточна для срабатывания защиты при номинальном дифференциальном токе.
В случае отсутствия реакции на манипуляции УЗО необходимо заменить, т.к. его чувствительность недостаточна либо время отключения превышает заявленное.
Важно: регулярно (не реже 1 раза в 6 месяцев) необходимо проводить тестирование электроаппарата специальными тестерами. В таких случаях поверка электрозащиты осуществляется более точно: быстродействие ограничено 200мс, а порог чувствительности больше номинального. Это позволяет предотвратить все возможные аварийные ситуации в бытовых электросетях.
В видеоролике подробно описаны действия по проверке работоспособности УЗО в бытовых условиях с помощью подручных средств.
УЗО в бытовых электрических сетях — главная защита человека от поражения электрическим током. Понимание принципа работы и устройства аппарата позволяет быстро устранить сбои в системе внутреннего электроснабжения и предотвратить аварийные ситуации.
Здравствуйте, уважаемые читатели сайта .
Продолжаем изучать основные характеристики устройств защитного отключения, которые мы начали рассматривать в
Следующая характеристика, которую мы рассмотрим:
Тип УЗО.
Наносится на передней панели УЗО и обозначается буквами и символом (см. рисунок ниже).
Тип АС реагирующие на дифференциальный синусоидальный переменный ток. На корпусе у них есть значок в виде синусоиды.
Через энергопоребители без сложных схем управления протекает синусоидальный ток, и ток утечки имеет такую же форму (лампы накаливания, бойлеры, электросушилки).
Тип А реагирующие на синусоидальный переменный и пульсирующий постоянный токи утечки. На передней панели указывается соответствующий символ.
![]()
В современных бытовых приборах (телевизорах, компьютерах, электроинструменте) используются выпрямители, тиристорные регуляторы, которые при пробое изоляции могут создавать пульсирующие токи утечки постоянного тока, на которые УЗО типа АС не реагируют.
В жилых квартирах желательно использовать УЗО типа А.
В продаже встречаются в основном устройства типа АС. Устройства типа А можно заказывать у официальных представителей продукции конкретного бренда.
В бытовых электросетях используются первые два основных типа УЗО.
Тип В , реагирующее на переменный, пульсирующий, постоянный, сглаженный постоянный токи. Принятое обозначение
УЗО типа «В» распространено крайне мало, его применяют в специальных промышленных электроустановках со смешанным питанием - переменным, выпрямленным и постоянным токами.
Селективные УЗО типа S и G . Используются в каскадных схемах в качестве головных противопожарных устройств, чтобы главное УЗО срабатывало в последнюю очередь. Селективность обеспечивается задержкой времени срабатывания УЗО.
Тип S — задержка срабатывания 200-300 мс (0,2-0,3 с).
Тип G – задержка срабатывания 60-80 мс (0,06-0,08 с).
Селективные УЗО дольше обычных могут находятся под воздействием экстремальных токов, поэтому они обычно рассчитаны на большие токи короткого замыкания — до 15 кА. У селективных УЗО на передней панели наносится символ S для устройств типа «S», и символ G для устройств типа «G».
Предельное время неотключения (т.е. время несрабатывания) для селективных УЗО — это максимальный интервал времени с момента возникновения в цепи УЗО отключающего дифференциального тока до момента начала размыкания его контактов.
По конструкции УЗО бывают:
— электромеханические (не зависят от напряжения питания);
— электронные (нуждаются в дополнительном источнике питания, который получают от контролируемой цепи, либо от дополнительного источника).
Различия в их конструкции мы рассматривали в предыдущих публикациях. Еще раз напомню.
В электромеханических УЗО источником энергии, необходимой для выполнения защитных функций является сам сигнал - дифференциальный ток, на который оно реагирует.
Электромеханические УЗО более надежные, и продолжают выполнять защитные функции даже при обрыве проводников.
Электронные УЗО менее надежны. К примеру, такое электронное устройство перестанет функционировать, а фазный потенциал, опасный для жизни человека, будет по-прежнему поступать к потребителю.
Также они менее надежны, менее помехоустойчивы, поскольку подвержены воздействию электромагнитных полей, токовых импульсов и др. Для бытового применения необходимо использовать электромеханические.
Стандартный диапазон температуры окружающей среды от -5 до +40°С может не указываться. Диапазон температур от -25 до + 40°С обозначается символом на передней панели. В устройствах, работающих до температур -25°С, применяются специальные магнитные материалы, эти УЗО стоят дороже.
Также на корпусе УЗО может указываться номинальная частота электрической сети , на которую оно рассчитано. Для бытовых сетей частота — 50 Гц.
Также на передней панели может указываться степень защиты УЗО (если отличается от IР20).
В однофазных сетях напряжением 220В используются двухполюсные УЗО (ноль и фаза); в трехфазных сетях напряжением 380В используются четырехполюсные УЗО (три фазы и ноль).
Схема подключения УЗО также изображается на лицевой или боковой поверхности корпуса УЗО (либо в паспорте к нему).
Клеммы УЗО, предназначенные только для подключения цепи нулевого рабочего проводника, должны быть обозначены буквой «N».
В электромеханических УЗО питание и, соответственно нагрузку, обычно можно подключать как сверху, так и снизу.
Но для удобства и наглядности монтажа желательно, как и в случае автоматических выключателей, питание подключать сверху (к верхним клеммам УЗО), а нагрузку подключать снизу (к нижним клеммам).
Включенное положение УЗО должно обозначаться символом «I» (короткой вертикальной чертой).
Отключенное положение УЗО должно обозначаться символом «О» (окружностью).
Кнопка «Тест» позволяет выполнить проверку работоспособности УЗО. Она находится на передней панели устройства. При нажатии на кнопку “Тест” искусственно создается ток утечки. Немедленное срабатывание УЗО означает исправность всех его элементов.
Итак, давайте подытожим.
Последовательно с УЗО необходимо устанавливать автоматический выключатель. Вводное УЗО обычно устанавливается после вводного автоматического выключателя перед групповыми авоматами; УЗО в группах устанавливаются перед групповым автоматом. Причем, одно УЗО может быть общим сразу для нескольких групп. Для защиты людей используются УЗО с током утечки 10 или 30 мА.
УЗО с током утечки 100, 300, 500 мА используется как противопожарные для защиты от возможного возгорания возгорания, и не защищают от поражения электрическим током.
Если УЗО с уставкой по току утечки 10мА срабатывает — можно попробовать установить вместо него УЗО с уставкой 30 мА (но не больше).
Если в доме старая проводка с ветхой изоляцией, то установка УЗО в этом случае нецелесообразна, поскольку в ней скорее всего присутствуют большие токи утечки, что будет приводить к постоянным ложным срабатываниям УЗО.
При старой проводке лучше не устанавливать одно УЗО на всю квартиру, а использовать розетки со встроенным УЗО. Либо попытаться заменить электропроводку на этом участке на новую, а потом уже устанавливать УЗО.
Также следует понимать, что установка УЗО не заменяет заземления.
Установка УЗО запрещена в линиях, внезапное отключение которых может привести к возникновению опасных ситуаций: в больницах, к отключению пожарной сигнализации и т.п.
Основные характеристики УЗО мы разобрали. Если вы Вы еще не ознакомились с перой частью этой статьи, можете прочитать ее по этой ссылке:
В следующих статьях мы будем рассмотрим вопросы выбора УЗО.
Поэтому, чтобы не пропустить выходы новых материалов по этой теме, рекомендую подписаться на новостную рассылку сайта. Форма подписки внизу этой статьи.
Подробное видео УЗО основные характеристики. Часть 1
Вторая часть видео УЗО основные характеристики. Часть 2
